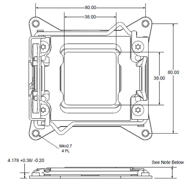
Abbiamo testato il dissipatore sulla nuova piattaforma Intel X79, con socket LGA 2011. Il tutto è stato montato su di un banchetto aperto, con temperatura ambiente di circa 24°C. Abbiamo scelto di utilizzare come CPU il nuovissimo Core i7 3930K da 130W di TDP, in quanto permette di stressare in modo adeguato il dissipatore. La massima temperatura sostenibile dalla CPU, prima di entrare in Thermal Throttling è 90°C. La superficie di contatto dell’IHS della CPU è pari a 38x38mm:
Qui potete osservare in cosa consiste la piattaforma di test per il socket 2011:
Vogliamo far presente che per ragioni di libera riproducibilità dei nostri test, sono stati osservati i risultati tramite il software Coretemp, in idle e in full load;
NOTA RILEVAZIONE SW: siamo perfettamente al corrente che una rilevazione delle temperature mediante un software di controllo possa essere una modalità discutibile, e soggetta ad alcune variabili dei sensori termici interessati, però è stato scelto di procedere in questo modo per un semplice motivo ovvero la certezza che l’utente finale possa fare lo stesso, e ripetere i test effettuati nella recensione in esame. Vogliamo mostrare situazioni che voi stessi potete verificare, e che voi stessi troverete nel vostro sistema. Se avessimo scelto di testare il carico termico tramite metodi non convenzionali, si sarebbe perso il feeling diretto dell’analisi sulle moderne CPU, e quindi si sarebbe snaturato il senso di tali misurazioni e comparative.
NOTA APPLICAZIONE: facciamo presente che per la stesura delle nostre recensioni qualsiasi pasta termica preapplicata viene levata, e viene spalmata della Arctic Cooling MX-4, con un metodo standard e con un sottilissimo strato che massimizzerà quindi le performance teoriche dell’unità. Con i dissipatori AIO spesso viene spalmato un sottile strato pre-applicato nella parte centrale, al fine di colmare i gap di basi non perfettamente rifinite, come nel caso dei dissipatori HDT a contatto diretto.
Le temperature in full load sono state misurate dopo 30 minuti di stress con Prime95 “InPlaceLargeFFTs” (massimo stress e consumo), benchmark noto per la sua capacità di stressare pesantemente la CPU, ben più di qualsiasi videogioco. La pasta termica usata è l’Arctic Cooling MX-4, uno standard di utilizzo nelle nostre misurazioni.
Vogliamo precisare che la procedura di misurazione delle temperature è molto rigorosa; ogni dato riportato viene verificato, ricalcolato tramite test supplementari se sospetto ed inoltre è riposta molta attenzione alla Temperatura Ambiente (Tamb) di modo che i risultati siano il più possibile realistici, riproducibili e fondamentalmente corretti. Potete stare certi che quello che leggete qui, a parità di configurazione e settaggi corrisponde, entro l’errore sperimentale, al valore vero.
Sono state utilizzate tre sessioni diverse di test, alle seguenti frequenze di lavoro :
Moltiplicatore V CPU-Z idle VTT CPU HT e Intel VTT
CPU@3200MHz 100x32 1.21V 1.137V ON
CPU@4200MHz 100x42 1.28V 1.137V ON
CPU@4500MHz 100x45 1.33V 1.137V ON
I test per il socket 2011 sono stati effettuati con le ventole in dotazione, in queste modalità:
- in Push al massimo dei giri di rotazione, 2440RPM
- in Push con un regime di rotazione intermedio, 1550RPM
- in Push ad 800RPM
Dato che siete su un portale estremamente pignolo per quanto riguarda I test termici, sono stati eseguiti anche questi test accessori:
- in Push al massimo dei giri di rotazione con due Noctua NF-F12, 1540RPM
- in P/Pull al massimo dei giri di rotazione con quattro Noctua NF-F12, 1540RPM
- Non sono stati eseguiti test per la pompa in quanto già a default è silenziosa.
Purtroppo non sono stati eseguiti dei test con delle ventole Scythe Ultra Kaze 3000RPM in quanto lo spessore fuori standard, in associazione alle viti necessarie per il montaggio, avrebbero portato ad eccessive complicazioni strutturali, ad esempio una parziale spanatura dei fori di installazione, con viti alternative.
NOTA NUMERO TEST: precisiamo che se non doveste trovare dei test ad 800RPM ripartiti per le tre frequenze campione, questo significherebbe che il test termico è fallito, e che quindi non è consigliabile utilizzare questo preset; facciamo presente questo perché altrimenti potrebbe sembrare che il test non sia stato fatto, ma è vero l’opposto. In casi del genere consigliamo di elevare il regime di rotazione e controllare direttamente le temperature, per evitare danni da surriscaldamento della CPU.